Pro'sKit 5SI-131-2C là đầu mỏ hàn thay thế cao cấp dạng vát tròn (C-type / Bevel type), được sản xuất từ hợp kim đồng đỏ chất lượng cao. Sản phẩm được thiết kế chuyên dụng cho các dòng mỏ hàn điều chỉnh nhiệt độ của Pro'sKit như SI-131B và SI-253B. Với thiết kế mặt vát nghiêng 45o đầu hàn này cho phép giữ được lượng nhiệt lớn và phân phối thiếc hàn đều, cực kỳ hiệu quả cho việc hàn các linh kiện chân cắm, đầu nối (connector) hoặc xử lý các mối hàn cần nhiều nhiệt. Lớp mạ đặc biệt bên ngoài giúp chống ăn mòn và tăng tuổi thọ sử dụng đáng kể.
Thông số kỹ thuật
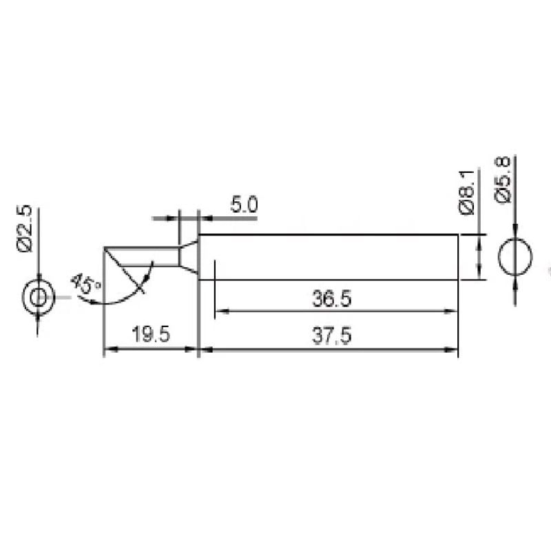
Mã sản phẩm: 5SI-131-2C
Loại đầu hàn: Dạng C (Vát tròn - Bevel type)
Góc vát: 45o
Đường kính mặt vát (Ø): 2.5 mm
Chiều dài phần đầu hàn: 19.5 mm
Chiều dài thân chính: 37.5 mm
Đường kính ngoài thân: 8.1 mm
Đường kính trong: 5.8 mm
Tổng chiều dài: 57.0 mm (Sai số ±0.5mm)
Tương thích: Mỏ hàn Pro'sKit SI-131B, SI-253B
Hướng dẫn sử dụng
Thay thế đầu mỏ hàn:
Quan trọng: Rút điện mỏ hàn và chờ cho thiết bị nguội hoàn toàn trước khi thay thế.
Vặn lỏng ống chụp cố định (nếu có), rút đầu mỏ hàn cũ ra khỏi bộ phận ruột sưởi (ceramic).
Lắp đầu mỏ hàn 5SI-131-2C mới vào, đẩy sát cho đến khi chạm lõi nhiệt, sau đó lắp lại ống chụp bảo vệ chắc chắn.
Bảo quản và vệ sinh:
Trước khi tắt máy, hãy làm sạch đầu hàn bằng bọt biển ẩm hoặc bùi nhùi đồng chuyên dụng và tráng một lớp thiếc mỏng (tinning) lên mặt vát. Điều này giúp ngăn chặn sự oxy hóa bề mặt.
Tránh sử dụng lực mạnh khi hàn hoặc gõ mạnh đầu mỏ hàn vào vật cứng.
Không sử dụng các vật liệu mài mòn mạnh (như giấy nhám) để vệ sinh, tránh làm mất lớp mạ bảo vệ dẫn nhiệt của sản phẩm.
Lưu ý an toàn:
Luôn đặt mỏ hàn trên giá đỡ khi đang nóng hoặc không sử dụng.
Thực hiện hàn ở nơi có thông gió tốt để tránh tích tụ khói thiếc.
Sử dụng đúng model tương thích để đảm bảo hiệu suất nhiệt và tránh làm hỏng ruột sưởi của máy.