Chuẩn bị: Một đồng hồ vạn năng với 2 que đo, để đồng hồ thang x1KΩ, kiểm tra dây đo còn tốt, dụng cụ kẹp linh kiện cố định hay miếng lót cách điện.Trước khi...
Transistor khi hoạt động có thể hư hỏng do nhiều nguyên nhân, như hỏng do nhiệt độ, độ ẩm, do điện áp nguồn tăng cao hoặc do chất lượng của bản thân Transistor, hoặc đôi...
Milliamph, hay mAh, là các đơn vị kỹ thuật viên sử dụng để đo tuổi thọ hoạt động của pin, ắc quy hoặc thời lượng pin sử dụng được bao lâu. Bạn có thể đo...
Cách đo dòng điện 1 chiềuLưu ý:– Phạm vi đo được của đồng hồ lớn nhất là 250mA– Các đầu đo của vạn năng kế phải được kết nối chắc chắn với mạch điện cần...
Thấu kính là gì?Thấu kính là một khối chất trong suốt (thủy tinh, nhựa...) giới hạn bởi hai mặt cong hoặc một mặt cong và một mặt phẳng.Thấu kính phân kì là gì?Đặc điểm của...
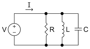
Mạch điện RLC (hoặc mạch LCR, mạch CRL hay mạch RCL) là một mạch điện gồm một điện trở, một cuộn cảm và một tụ điện, mắc nối tiếp hoặc song song. Các chữ cái...
Hiện tại tình trạng máy Samsung sáng 23/05 bị lỗi Recovery. Mình xin hướng dẫn cách xử lý và khắc phục lỗi này: Bước 1: Máy lỗi ở màn hình Recover - Chọn Try again (lên...
- Introduction: Nhập môn, giới thiệu- Philosophy: Triết lý- Linear: Tuyến tính- Ideal: Lý tưởng- Voltage source: Nguồn áp - Current source: Nguồn dòng- Voltage divider: Bộ/mạch phân áp- Current divider: Bộ/mạch phân dòng- Superposition: (Nguyên...
Aircircuitbreakers(ACB):Máy cắt không khí.Automatic circuit recloser (ACR): Máy cắt tự đóng lại.Area control error (ACE): Khu vực kiểm soát lỗi.Analog digital converter (ADC): Bộ biến đổi tương tự số.Automatic frequency control (AFC): Điều khiển tần...
Tác hại của tĩnh điệnKhi tĩnh điện trên bề mặt vật thể lớn đến mức độ khoảng 3000 volt, sẽ tạo ra một từ trường tĩnh điện, từ trường này sẽ tác động gây ra...